特別報導
第27期 2016年 第2季
節能技術在冷水機中的應用
節能能技術是指採取先進的技術手段來實現節約能源的目的。在同等使用環境中,如果工業冷水機的能源消耗非常少,那麼在滿足企業使用條件的前提下,能夠降低使用設備的資金消耗。尤其對於很多24小時不間斷使用工業冷水機的企業,將會大幅減少設備的使用成本。客戶更希望冷水機具有運行平穩可靠、高效率低故障、維護方便、壽命長等優點。
冷水機組系統的運作是通過三個相互聯繫的系統來工作的:製冷劑循環系統、水循環系統、電器自控系統。信易冷水機通過不斷的改進這三個系統,使節能更高效。
製冷循環
蒸發器中的液態製冷劑吸收水中的熱量並開始蒸發,最終製冷劑與水之間形成一定的溫度差,液態製冷劑亦完全蒸發變為氣態,後被壓縮機吸入並壓縮(壓力和溫度增加),氣態製冷劑通過冷凝器(風冷/水冷)釋放熱量,凝結成液體。通過膨脹閥(或毛細管)節流後變成低溫低壓製冷劑進入蒸發器,完成製冷劑循環過程。在製冷循環中,信易將提高能效,COP預計超越國家一級標準,使投入更少的功率,輸出更高的製冷量。
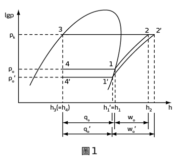
選用品牌可靠、高效率的壓縮機,COP能效比會更高,節省的電能更多,是節能的關鍵。蒸發溫度和冷凝溫度是整個冷媒循環系統的核心,在滿足設備安全和生產需求的前提下,提高蒸發溫度或降低冷凝溫度可以提升製冷效率(如圖1)。

1、蒸發壓力隨蒸發溫度的升高而降升高,壓縮機的排氣溫度由t’2降低到t2。
2、單位品質製冷量由q’o升高到qo,吸氣比體積由減小,單位溶劑製冷量增大。
3、由於吸氣比體積減小,造成製冷劑品質流量增大,因此製冷量Q0明顯增大。
4、理論比功由w’o,減小到wo。
5、由於製冷係數是單位品質製冷量與理論比功,很顯然,蒸發溫度升高時,製冷係數是升高的。
單位品質製冷量上升,消耗的功率將減小,製冷係數增大,製冷循環性能將得到改善,冷水機更高能效。冷凝溫度也同樣的道理,一般來講,蒸發溫度的變化對冷水機性能的影響比冷凝溫度變化帶來的變化要大,因此,信易更注重對蒸發溫度的升高,使COP值更高。冷水機對於自身的散熱很重要,散熱效果好,冷媒系統才能運行得更好。對於水冷式冷水機來說冷卻塔的配置尤為重要,必須選擇相匹配的冷卻塔以保證冷卻水效能使冷凝器的散熱更快,更充足,而風冷式冷水機配置的風扇風量應足以給系統散熱。
水循環
水泵負責將水從水箱抽到用戶需冷卻的設備,冷凍水將熱量帶走後溫度升高,再回到冷凍水箱中。若要在水循環做到節能,需要客戶定期清洗,防止和減少管道結垢以提高冷凝器和蒸發器的換熱效率。水質也有一定的要求,補充水如果水處理做的不好,碳酸氫鈣和碳酸氫鎂受熱產生的碳酸鈣和碳酸鎂會沉積在管道上,致使導熱性能下降,影響冷凝器和蒸發器的換熱效率,並使設備運行電費大幅度上升,所以冷水機附加過濾器后,換熱效率更高。冬季溫度較低時,高壓太低,壓縮機容易出現過熱及潤滑失效而毀損的情況,信易未來開發的新一代水冷式冷水機將採用製水閥,根據冷卻水溫度而自動調節水流量,穩定製冷系統高壓值,讓系統維持在最佳的狀態,且板式蒸發器配置逆洗式過濾器,換熱效率高,結構緊湊。
電器自控
包括電源部分和自動控制部分。電源部分是通過接觸器,對壓縮機、風扇、水泵等供應電源。
自動控制部分包括溫控器、壓力保護、延時器、繼電器、超載保護等相互組合達到根椐水溫自動啟停,保護等功能,能使客戶使用時更加安全并減少不必要浪費。調整冷水機設備合理的運行負載,在保證設備安全運行的情況下,製冷主機運行在70%到80%的負載比運行在百分百負載時,單位冷量的功耗更小。運用此方式開機要結合水泵、冷卻塔的運行情況綜合考慮。
冷水機組系統的運作是通過三個相互聯繫的系統來工作的:製冷劑循環系統、水循環系統、電器自控系統。信易冷水機通過不斷的改進這三個系統,使節能更高效。
製冷循環
蒸發器中的液態製冷劑吸收水中的熱量並開始蒸發,最終製冷劑與水之間形成一定的溫度差,液態製冷劑亦完全蒸發變為氣態,後被壓縮機吸入並壓縮(壓力和溫度增加),氣態製冷劑通過冷凝器(風冷/水冷)釋放熱量,凝結成液體。通過膨脹閥(或毛細管)節流後變成低溫低壓製冷劑進入蒸發器,完成製冷劑循環過程。在製冷循環中,信易將提高能效,COP預計超越國家一級標準,使投入更少的功率,輸出更高的製冷量。
選用品牌可靠、高效率的壓縮機,COP能效比會更高,節省的電能更多,是節能的關鍵。蒸發溫度和冷凝溫度是整個冷媒循環系統的核心,在滿足設備安全和生產需求的前提下,提高蒸發溫度或降低冷凝溫度可以提升製冷效率(如圖1)。

2、單位品質製冷量由q’o升高到qo,吸氣比體積由減小,單位溶劑製冷量增大。
3、由於吸氣比體積減小,造成製冷劑品質流量增大,因此製冷量Q0明顯增大。
4、理論比功由w’o,減小到wo。
5、由於製冷係數是單位品質製冷量與理論比功,很顯然,蒸發溫度升高時,製冷係數是升高的。
單位品質製冷量上升,消耗的功率將減小,製冷係數增大,製冷循環性能將得到改善,冷水機更高能效。冷凝溫度也同樣的道理,一般來講,蒸發溫度的變化對冷水機性能的影響比冷凝溫度變化帶來的變化要大,因此,信易更注重對蒸發溫度的升高,使COP值更高。冷水機對於自身的散熱很重要,散熱效果好,冷媒系統才能運行得更好。對於水冷式冷水機來說冷卻塔的配置尤為重要,必須選擇相匹配的冷卻塔以保證冷卻水效能使冷凝器的散熱更快,更充足,而風冷式冷水機配置的風扇風量應足以給系統散熱。
水循環
水泵負責將水從水箱抽到用戶需冷卻的設備,冷凍水將熱量帶走後溫度升高,再回到冷凍水箱中。若要在水循環做到節能,需要客戶定期清洗,防止和減少管道結垢以提高冷凝器和蒸發器的換熱效率。水質也有一定的要求,補充水如果水處理做的不好,碳酸氫鈣和碳酸氫鎂受熱產生的碳酸鈣和碳酸鎂會沉積在管道上,致使導熱性能下降,影響冷凝器和蒸發器的換熱效率,並使設備運行電費大幅度上升,所以冷水機附加過濾器后,換熱效率更高。冬季溫度較低時,高壓太低,壓縮機容易出現過熱及潤滑失效而毀損的情況,信易未來開發的新一代水冷式冷水機將採用製水閥,根據冷卻水溫度而自動調節水流量,穩定製冷系統高壓值,讓系統維持在最佳的狀態,且板式蒸發器配置逆洗式過濾器,換熱效率高,結構緊湊。
電器自控
包括電源部分和自動控制部分。電源部分是通過接觸器,對壓縮機、風扇、水泵等供應電源。
自動控制部分包括溫控器、壓力保護、延時器、繼電器、超載保護等相互組合達到根椐水溫自動啟停,保護等功能,能使客戶使用時更加安全并減少不必要浪費。調整冷水機設備合理的運行負載,在保證設備安全運行的情況下,製冷主機運行在70%到80%的負載比運行在百分百負載時,單位冷量的功耗更小。運用此方式開機要結合水泵、冷卻塔的運行情況綜合考慮。
特別報導
如果您還想要看其他文章,可以點第27期 2016年 第2季.